UWE BAMBO 1
PN-Schaltkasten 400 V komplett
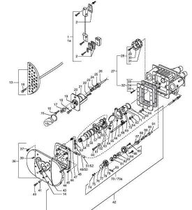
Teil-Nr. 95
Düsengehäuse mit Pneumatikschalter für BAMBO in Edelstahldesign 268861 Teil-Nr. 42
PN-Schaltkasten 230 V, 1,7 kW
Teil-Nr. 57
PN-Schaltkasten 400 V, 3,5 kW
Teil-Nr. 101
- Für Bambo 2 mit Beleuchtung.
- Es werden für die Anlage 2 Stück benötigt, bei komplettem Austausch.
Frontplattenset in Edelstahldesign 268865 Teil-Nr. 36
LED Beleuchtungseinheit kpl. 177287
Teil-Nr. 13
Abdeckplatte Farbe: weiss 110189 Teil-Nr. 46
1 Flanschsatz für Folien- und Polyester- becken mit Beleuchtung (Pos. 32 und 2 x Pos. 28) 182584 Teil-Nr. 27
Griffpaar für Betonbecken 2 Stück kpl. 005868
UWE Bambo2 und Juno
Frontplatten-Set, komplett, weiß, für Bambo 1, alle Modelle
Teil-Nr. 36
Frontplattenset (Pos. 37-41) weiss 178210 Teil-Nr. 36
Klemmrahmen (Pos. 33-35) 012856 Teil-Nr. 32
Halogenlampe mit Dichtung für Bambo mit Beleuchtung
Teil-Nr. 17
Halogenlampe kpl. mit Dichtung und Nieten 193680 Teil-Nr. 17
PN-Schalter, komplett, für Bambo 1 + 2
Teil-Nr. 73
Pneumatikschalter kpl. (Pos. 74-86) 2000092 Teil-Nr. 73a
Pneumatikschalter kpl. (Pos. 74-86) 185637 Teil-Nr. 73
Gehäusedeckel mit Befestigungsstift 185686 Teil-Nr. 21
Klemmring für Beeuchtungseinheit 177162 Teil-Nr. 28
Glaskolben für Lampe mit O-Ring für Bambo 2
Teil-Nr. 14+15
Ersatzteile UWE Gegenschwimmanlage - Serie Jet „BAMBO 1“






