UWE BAMBO 1
Rollmembran BFA 35-30-10 027086 Teil-Nr. 81
Linsen-Blechschraube 237545
Scheibe Ø 12,2 / Ø 20,0 x 2,5 mm 043760 Teil-Nr. 63
Seeger-Sicherungsring DIN 471A 12 x 1,0 020701 Teil-Nr. 64
Drehgriff Farbe: blau 238972 Teil-Nr. 43
Drehgriff Farbe: silber 268647 Teil-Nr. 43
Gummi-Dichtring Ø 70 / Ø 80 x 7,5 mm 052365 Teil-Nr. 56
Pneumatikschalter kpl. (Pos. 74-86) 185637 Teil-Nr. 73
Schaltknopf Farbe: silber 268644 Teil-Nr. 76
1x700 mm PVC-Schlauch glasklar o. Einlage 2 x 1 mm 059139 Teil-Nr. 87
Dichtung Ø 19,0 / Ø 11,0 x 2,0 mm 046995 Teil-Nr. 90
Pneumatikschalter kpl. (Pos. 74-86) 2000092 Teil-Nr. 73a
Abdeckplatte Farbe: weiss 110189 Teil-Nr. 46
Schlauchschelle GEMI SM 9A17 W4 095596 Teil-Nr. 53
Ausgleichsscheibe Ø 79,0 / Ø 70,0 x 0,5 mm 056416 Teil-Nr. 58
Drehgriff Farbe: weiss 236455 Teil-Nr. 43
Drosselklappe in Seewasserausführung 267050 Teil-Nr. 65
Druckfeder Ø 0,5 DA = 11,0 LO = 120 mm 091827 Teil-Nr. 52
Druckfeder Ø 0,5 DA = 11,0 LO = 180 mm 102749 Teil-Nr. 50
Frontplatten-Set, komplett, weiß, für Bambo 1, alle Modelle
Teil-Nr. 36
Frontplattenset in Edelstahldesign 268865 Teil-Nr. 36
Halogenlampe kpl. mit Dichtung und Nieten 193680 Teil-Nr. 17
O-Ring Ø 42,0 / Ø 52,0 x 5,0 mm 177261
Schalterunterteil mit Nippel 095463 Teil-Nr. 84
Schaltknopf Farbe: blau 238980 Teil-Nr. 76
Sechskantmutter DIN 934 M 4 025049 Teil-Nr. 74
Sicherungsring für M 4 Unitec 058305 Teil-Nr. 75
1x190 PVC-Schlauch glasklar o. Einlage 095588 Teil-Nr. 49
Dichtring Ø 13,5 / 8 x 5,5 mm 177279 Teil-Nr. 23
Glaskolben für Lampe mit O-Ring für Bambo 2
Teil-Nr. 14+15
Griffpaar für Betonbecken 2 Stück kpl. 005868
UWE Bambo2 und Juno
PN-Schaltkasten 400 V, 3,5 kW
Teil-Nr. 101
1x165 PVC-Schlauch glasklar o. Einlage Ø 12 / 16 x 2 mm 095588 Teil-Nr. 51
Druckfeder Ø 0,8 DA = 10, 0 LO = 30 mm 049999 Teil-Nr. 83
Düse Farbe: silber 269163 Teil-Nr. 54
Düsengehäuse mit Pneumatikschalter für BAMBO in Edelstahldesign 268861 Teil-Nr. 42
Einschraubnippel Ø 15 x 30 mm 091702 Teil-Nr. 62
Einschraubstutzen WES 12 / M 16 x 1,5 099978 Teil-Nr. 47
Flachkopfschraube DIN 85 AM 6 x 60 177253 Teil-Nr. 18
Frontplattenset (Pos. 37-41) weiss 178210 Teil-Nr. 36
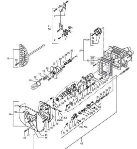
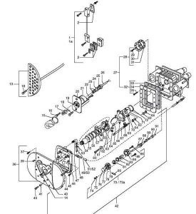
Ersatzteile UWE Gegenschwimmanlage - Serie Jet „BAMBO 1“






