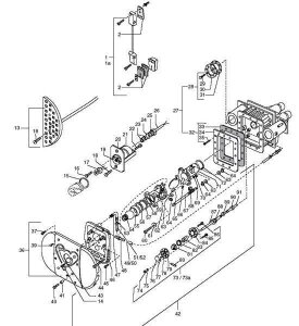
UWE BAMBO 1
Zylinderschraube DIN 912 M 6 x 25 022103 Teil-Nr. 60
Zylinderschraube DIN 84 AM 8 x 100 010389 Teil-Nr. 44
Zylinderschraube DIN 84 AM 6 x 10 177238 Teil-Nr. 22
Zylinderschraube DIN 84 AM 4 x 6 177220 Teil-Nr. 16
1x165 PVC-Schlauch glasklar o. Einlage Ø 12 / 16 x 2 mm 095588 Teil-Nr. 51
Schlauchschelle GEMI SM 9A17 W4 095596 Teil-Nr. 53
PN-Schaltkasten 400 V komplett
Teil-Nr. 95
PN-Schaltkasten 400 V, 3,5 kW
Teil-Nr. 101
PN-Schalter, komplett, für Bambo 1 + 2
Teil-Nr. 73
Griffpaar für Betonbecken 2 Stück kpl. 005868
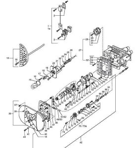
UWE Bambo2 und Juno
Ersatzteil für UWE Bambo
Halogenlampe mit Dichtung für Bambo mit Beleuchtung
Teil-Nr. 17
Glaskolben für Lampe mit O-Ring für Bambo 2
Teil-Nr. 14+15
1 Flanschsatz für Folien- und Polyester- becken mit Beleuchtung (Pos. 32 und 2 x Pos. 28) 182584 Teil-Nr. 27
Ersatzteile UWE Gegenschwimmanlage - Serie Jet „BAMBO 1“






