UWE BAMBO 1
Schlauchschelle GEMI SM 9A17 W4 095596 Teil-Nr. 53
Dichtung Ø 19,0 / Ø 11,0 x 2,0 mm 046995 Teil-Nr. 90
Zylinderschraube DIN 84 AM 8 x 100 010389 Teil-Nr. 44
O-Ring Ø 42,0 / Ø 52,0 x 5,0 mm 177261
Gerader Einschraubstutzen GES 12 042341 Teil-Nr. 48
Dichtring Ø 13,5 / 8 x 5,5 mm 177279 Teil-Nr. 23
Drehgriff Farbe: weiss 236455 Teil-Nr. 43
O-Ring Ø 68,0 / Ø 76,0 x 4,0 mm 091637 Teil Nr. 72
Schaltknopf Farbe: schwarz 177469 Teil-Nr. 76
Drehgriff Farbe: silber 268647 Teil-Nr. 43
Porzellan-Leuchtenklemme 1-pol. 178202 Teil-Nr. 19
Drehgriff Farbe: blau 238972 Teil-Nr. 43
Schaltknopf Farbe: blau 238980 Teil-Nr. 76
Gummi-Dichtring Ø 70 / Ø 80 x 7,5 mm 052365 Teil-Nr. 56
2x8000 mm Ölflex-Kabel 2 x 1,5 mm² je 8000 mm 033795 Teil-Nr. 26
Einschraubstutzen WES 12 / M 16 x 1,5 099978 Teil-Nr. 47
1x165 PVC-Schlauch glasklar o. Einlage Ø 12 / 16 x 2 mm 095588 Teil-Nr. 51
Schaltknopf Farbe: silber 268644 Teil-Nr. 76
1x190 PVC-Schlauch glasklar o. Einlage 095588 Teil-Nr. 49
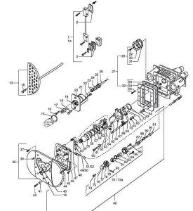
Ersatzteile UWE Gegenschwimmanlage - Serie Jet „BAMBO 1“






