UWE BAMBO 1
Zylinderschraube DIN 84 AM 8 x 100 010389 Teil-Nr. 44
Klemmrahmen (Pos. 33-35) 012856 Teil-Nr. 32
Seeger-Sicherungsring DIN 471A 12 x 1,0 020701 Teil-Nr. 64
Zylinderschraube DIN 912 M 6 x 25 022103 Teil-Nr. 60
Sechskantmutter DIN 934 M 4 025049 Teil-Nr. 74
Sechskantmutter DIN 934 M 6 025338 Teil-Nr. 70
Passfeder DIN 6885 A 5 x 5 x 10 032383 Teil-Nr. 66
2x8000 mm Ölflex-Kabel 2 x 1,5 mm² je 8000 mm 033795 Teil-Nr. 26
Linsensenk-Blechschraube DIN 7983 036525 Teil-Nr. 45
Linsenschraube DIN 7985 AM 4 x 25 036632 Teil-Nr. 85
Gerader Einschraubstutzen GES 12 042341 Teil-Nr. 48
Scheibe Ø 12,2 / Ø 20,0 x 2,5 mm 043760 Teil-Nr. 63
Dichtung Ø 19,0 / Ø 11,0 x 2,0 mm 046995 Teil-Nr. 90
Druckfeder Ø 0,8 DA = 10, 0 LO = 30 mm 049999 Teil-Nr. 83
Gummi-Dichtring Ø 70 / Ø 80 x 7,5 mm 052365 Teil-Nr. 56
Ausgleichsscheibe Ø 79,0 / Ø 70,0 x 0,5 mm 056416 Teil-Nr. 58
Sicherungsring für M 4 Unitec 058305 Teil-Nr. 75
Sicherungsringfür M 6 Unitec 058347 Teil-Nr. 69
1x700 mm PVC-Schlauch glasklar o. Einlage 2 x 1 mm 059139 Teil-Nr. 87
1x10000 mm PVC-Schlauch glasklar o. Einlage 2 x 1 mm 059139 Teil-Nr. 91
Linsen-Blechschraube 091256 Teil-Nr. 86
O-Ring Ø 68,0 / Ø 76,0 x 4,0 mm 091637 Teil Nr. 72
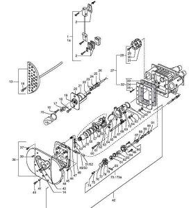
Ersatzteile UWE Gegenschwimmanlage - Serie Jet „BAMBO 1“






