UWE BAMBO 1
Gewindestift DIN 914 M 5 x 6 213066 Teil-Nr. 80
Sechskantmutter DIN 934 M 6 025338 Teil-Nr. 70
Zylinderschraube DIN 84 AM 4 x 6 177220 Teil-Nr. 16
Sechskantmutter DIN 934 M 4 025049 Teil-Nr. 74
Linsen-Blechschraube 091256 Teil-Nr. 86
Linsenschraube DIN 7985 AM 4 x 25 036632 Teil-Nr. 85
Linsenschraube DIN 85 AM 5 x 6 238899 Teil-Nr. 37
Senk-Blechschraube DIN 7982 B Ø 4,2 x 38 211045 Teil-Nr. 78
Sicherungsringfür M 6 Unitec 058347 Teil-Nr. 69
Sicherungsring für M 4 Unitec 058305 Teil-Nr. 75
Zylinderschraube DIN 84 AM 6 x 10 177238 Teil-Nr. 22
Druckfeder Ø 0,8 DA = 10, 0 LO = 30 mm 049999 Teil-Nr. 83
Senkschraube M 6 x 30 192641 Teil-Nr. 29
Zylinderschraube DIN 912 M 6 x 25 022103 Teil-Nr. 60
Seeger-Sicherungsring DIN 471A 12 x 1,0 020701 Teil-Nr. 64
Linsen-Blechschraube 237545
Ausgleichsscheibe Ø 79,0 / Ø 70,0 x 0,5 mm 056416 Teil-Nr. 58
Linsensenk-Blechschraube DIN 7983 036525 Teil-Nr. 45
Robust-Druckschraube PG 9 177295 Teil-Nr. 25
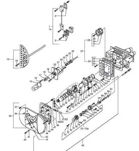
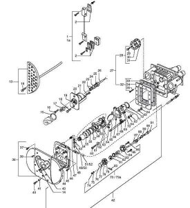
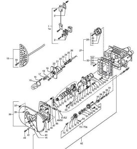
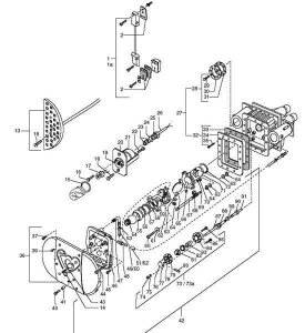
Ersatzteile UWE Gegenschwimmanlage - Serie Jet „BAMBO 1“






