UWE Jetcontrol Steuerkasten für Pneumatik Schalter und Piezo-Taster
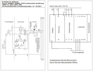
Anschluß Steuerkasten Der Steuerkasten (23) sollte entweder in einem trockenen Umgang oder in einem angrenzendem Raum untergebracht werden. Der Anschluß ist sorgfältig nach DIN VDE 0100 Teil 702 auszuführen. Der Anschluß an das Netz erfolgt durch eine 5 G 2,5 mm² (3N ~ PE 400V) oder durch 4 G 2,5 mm² (3 ~ PE 230V) Leitung. In diese Zuleitung ist sowohl ein Hauptschalter, mit dem das Gerät allpolig vom Netz getrennt werden kann, als auch in FI-Schalter vorzusehen. (siehe Hinweisblatt: „An den Elektroinstallateur“) Stecken Sie den 10 m langen PVC-Schlauch (12), der vom Düsenmantelgehäuse kommt, auf den freien Nippel des T-Verbindungsstückes (22) außerhalb des Steuerkastens (23).
Anschluß an die Hausinstallation
Für den Netzanschluß zum Steuerkasten und Motor sind bei 400 V 3N AC 50 Hz (Drehstrom) ein Leitungsquerschnitt von mindestens 5 G 2,5 qmm Cu erforderlich (Leitungslänge beachten). Zur Netztrennung muß ein bauseitiger Hauptschalter mit 3 mm Kontaktöffnung vorgesehen werden. 2 Schutzmaßnahmen Das Aggregat ist gegen zu hohe Berührungsspannung durch Schutzerdung DIN VDE 0100 Teil 702, sowie durch Vorschaltung eines Fehlerstrom-Schutzschalters FI = 30 mA zu sichern. Außerdem ist der Motor nach DIN VDE 0100 Teil 702 an den Potentialausgleich anzuschließen. 3 Absicherung Bei 400 V: Schmelzsicherungen 16 A (träge) oder 16 A K- Sicherungsautomaten. Leitungslänge bzw. Spannungsabfall beachten.
Angaben zur Produktsicherheit
Herstellerinformationen:
UWE
Buchstraße 82
Schwäbisch Gmünd, Deutschland, 73510
jet@uwe.de
https://uwe.de/
Es gibt noch keine Bewertungen.