Speck Mehrwegeventil Ersatzteile
- Zubehör für die automatische Wasserstands-Niveau-Regelung
- Befestigungsschiene M-065-E1
- Elektronik-Steuergerät mit modernen Klemm-Anschlusstechnik
- Niveauschalter mit 10m Kabel
- Sicherheitsabschaltung, die einen Dreifachschutz beinhaltet
Leider ausverkauft ...
Wir empfehlen folgende Alternative:
Der Artikel wird leider nicht mehr produziert, hier geht es zum Nachfolger: BNR 402
- Filtern – Grundstellung während des Betriebs
- lieferbar mit Profi(Stern-)dichtung
Ersatzteil für Speck Badutronic 2002
Ersatzteil für Speck Badutronic 2002
Ersatzteil für Speck-Ventil
Ersatzteil für Speck-Ventil
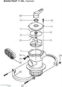
Sterndichtung Kammerdichtung BADUMAT T 40
Sterndichtung Kammerdichtung BADUMAT R50
Sterndichtung Kammerdichtung BADUMAT T 40
O-Ring für Oberteil 1 1/2 Zoll Speck Mehrwegeventil
Ersatzteil Druckschalter für die BADU Omnitronic
- Automatische Wasserstands-Niveau-Regelung
- Achtung Befestigungsschiene M-065-E1 muss zusätzlich bestellt werden
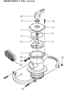
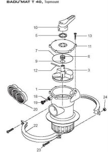
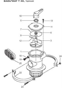
Nr. 5+9 in der Explosionszeichnung
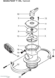
Nr. 5 in der Explosionszeichnung
Speck original Ersatzteil für die BADU Omnitronic
Sterndichtung, Kammerdichtung für 1 1/2 Zoll Speck Mehrwegeventil Hebel für 1 1/2 Zoll Speck Mehrwegeventil
Hebel für 1 1/2 Zoll Speck Mehrwegeventil
Speck - steht für Qualität
Speck - steht für Qualität
Speck - steht für Qualität
Speck - Ersazteil
Schauglas mit O-Ring für 1 1/2 Zoll Speck Mehrwegeventil
Schauglas mit O-Ring für 1 1/2 Zoll Speck Mehrwegeventil
Speck / Midas Mehrwegeventil Ersatzteile
Sandfilter müssen regelmäßig rückgespült werden, um das Sandbett aufzulockern und abgefilterte Verunreinigungen in den Abwasserkanal zu leiten. Hierzu muß unter anderem der Förderstrom der Filterumwälzpumpe in umgekehrter Richtung durch den Filterbehälter geführt werden.
Diese und weitere Funktionen sind mit der Filterrückspülarmatur BADUMAT einfach, leicht und übersichtlich einzustellen. Nach erfolgtem Rückspülen ist Frischwasser nachzuspeisen, damit das ursprüngliche Wasserniveau wieder erreicht wird, am besten automatisch mit unserer BADU-Niveau-Regelung BNR 55 oder BNR 200 .
Alle mit dem Badewasser in Berührung kommende Teile sind aus korrosionsbeständigem Kunststoff (ABS) oder rostfreiem Stahl. Wassertemperatur: max. 40°C Gehäuseinnendruck: max. 2,5 bar Durch optimale Wasserführung entstehen keine Fließgeräusche und nur geringe Strömungsverluste.






