Ein-Flutanlage Quadro
Einsetzbar als Attraktion, zur Fitness, als Wellen- oder Luftperlbad und zur Unterwassermassage.
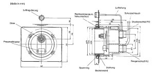
Lieferumfang:
- eine schwenk- und mengenregulierbare Düse (Ø:40 mm)
- ein einstellbares Luftperlbad
- ein pneumatischer Ein-/Aus-Schalter
- die Pneumatikschaltung
- eine leistungsstarke Jet-Pumpe sowie PVC-Verrohrung
- Der Flanschsatz für den Einbau in Folienbecken ist im Vormontagesatz enthalten.
- Vormontagesatz aus Kunststoff
Sie benötigen, falls noch nicht vorhanden, den Fertigmontagesatz.
Angaben zur Produktsicherheit
Herstellerinformationen:
Speck
Hauptstraße 3
Neunkirchen am Sand, Deutschland, 91233
info@speck-pumps.com
https://www.speck-pumps.com/
Es gibt noch keine Bewertungen.