Speck Filterpumpe BADU Resort 30 – 1,5 kW, 400 V
Einsatzgebiet
Die BADU Resort 30 ist eine Umwälzpumpe für mittelgroße Pools, ideal in Verbindung mit Filteranlagen. Installation bis 2 m oberhalb oder 3 m unterhalb des Wasserniveaus möglich.
Anschlussmaße
| Saugseite |
Ø 2,5" (75 mm) |
| Druckseite |
Ø 2,5" (75 mm) |
Empfohlene Leitungslängen (bis 5 m)
| Saugleitung |
Ø 2,5" (75 mm) |
| Druckleitung |
Ø 2,5" (75 mm) |
Lautstärke
Die Resort 30 erreicht einen Schalldruckpegel von 62,9 dB und ist damit so laut wie ein Rasenmäher in 10 m Entfernung.
| Schalldruckpegel (1 m) |
62,9 dB |
| Schallleistung |
71,0 dB |
Energiedaten
| Stromaufnahme |
1.770 W |
| Stromabgabe |
1.500 W |
| Spannung |
400 V |
Kennlinie
Ausführung
Die BADU Resort 30 ist eine Blockpumpe mit integriertem Fasernfänger. Die hochwertige Balg-Gleitringdichtung ist auf der Kunststoff-Laufradnabe montiert. Die Pumpenwelle kommt nicht mit Wasser in Kontakt, was eine sichere elektrische Trennung gewährleistet.
Für Becken bis 128 m³ geeignet
Die Pumpen können in der abgebildeten Ausführung für Schwimmbeckenwasser bis zu einer Gesamtsalzkonzentration von 0,5 % (5 g/l) eingesetzt werden.
Bei höheren Salzkonzentrationen bitte Rücksprache mit der Firma SPECK Pumpen halten.
Auch in AK-Version erhältlich (für höhere Salzkonzentrationen).
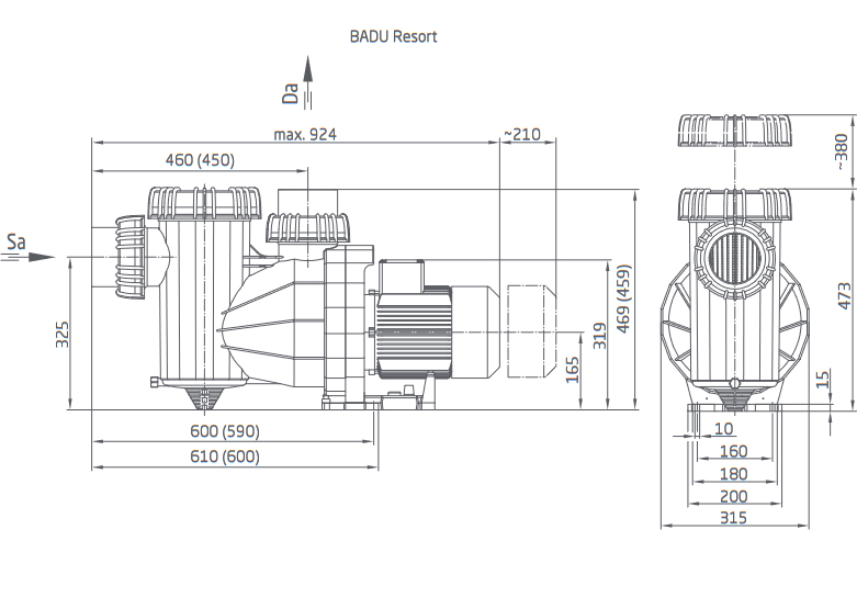
Maßzeichnung
Angaben zur Produktsicherheit
Herstellerinformationen:
Speck
Hauptstraße 3
Neunkirchen am Sand, Deutschland, 91233
info@speck-pumps.com
https://www.speck-pumps.com/
Es gibt noch keine Bewertungen.