Plattenwärmetauscher aus Edelstahl kupfergelötet 30-50 und 75 kW bei 55°C
Plattenwärmetauscher sind Dank der großen Austauschfläche hervorragend geeignet für Niedertemperatur-
Heizsysteme mit geringem Durchsatz wie z. B. Solaranlagen, geothermische Anlagen, Wärmepumpen und ähnliche alternative und innovative Heizsysteme.
In fertig konfektionierter gelöteter Ausführung mit Isolierung lieferbar. Gelötete Ausführung aus
Edelstahl V4A - Installation grundsätzlich im Bypass.
Die Lösung für die Erwärmung von Schwimmbad Badewasser durch Niedertemperatur-Heizsysteme, Wärmepumpe oder Brauchwasseranlage.
Diese Plattenwärmetauscher sind zur Erwärmung von Badewasser durch Warmwasser bestimmt.
Dank der großen Austauschfläche sind sie hervorragend geeignet für Niedertemperatur-Heizsysteme wie z.B. Solaranlagen, geothermische Anlagen, Wärmepumpen und ähnliche alternative und innovative Heizsysteme.
|
Technische Informationen
|
D-PWT 30
|
D-PWT 50
|
D-PWT 75
|
|
Leistung bei Primär-Vorlauf
ein/aus
|
30 kW
55/38°C
|
50 kW
55/34°C
|
75 kW
55/32°C
|
|
Leistung bei Primär-Vorlauf
ein/aus
|
23 kW
45/32°C
|
36 kW
45/30°C
|
55 kW
45/28°C
|
|
Leistung bei Primär-Vorlauf
ein/aus
|
16 kW
35/26°C
|
22 kW
35/26° C
|
35 kW
35/24°C
|
|
Durchflussmenge primär-Heizung
|
1,5 m³/h
|
2,1 m³/h
|
2,8 m³/h
|
|
Durchflussmenge sekundär-Badewasser
|
1,8 m³/h
|
2,2 m³/h
|
3 m³/h
|
| Anschlußgröße Ø primär-Heizung |
3/4" IG |
1" AG |
1" AG |
| Anschlußgröße Ø sekundär-Badewasser |
1" AG |
1 1/4" AG |
1 1/4" AG |
|
Druckverlust Heizung
|
0,29 bar
|
0,22 bar
|
0,13 bar
|
|
Druckverlust Badewasser
|
0,3 bar
|
0,25 bar
|
0,16 bar
|
|
Berechnungsgrundlage:Badewassertemperatur
|
20°C
|
20°C
|
20°C
|
|
Berechnungsgrundlage: Leitungsdruck
|
0,62 bar
|
0,62 bar
|
0,62 bar
|
|
Installation-Schwimmbad
|
Bypass
|
Bypass
|
Bypass
|
|
Anzahl Platten
|
14
|
20
|
38
|
|
Fläche
|
3100 cm²
|
5400 cm²
|
10800 cm²
|
|
Material Platten V4A / AISI 316
|
1.4401
|
1.4401
|
1.4401
|
|
Chlorid Gehalt
|
max: 400 mg/l
|
max: 400 mg/l
|
max: 400 mg/l
|
|
Freies Chlor
|
max: 1,3 mg/l
|
max: 1,3 mg/l
|
max: 1,3 mg/l
|
|
Maximale Betriebstemperatur ohne Isolierung
|
195°C
|
195°C
|
195°C
|
|
Maximaler Betriebsdruck
|
30 bar
|
30 bar
|
30 bar
|
|
Leergewicht
|
Kg 3,3
|
Kg 4,5
|
Kg 7
|
|
Wasserinhalt
|
0,77 L
|
1,3 L
|
2,47 L
|
|
Lötmaterial
|
Kupfer
|
Kupfer
|
Kupfer
|
Montagehinweise:
Wärmetauscher sind frostsicher zu installieren bzw. bei Frostgefahr und längerer Betriebsruhe (> 1 Monat) vollständig zu entleeren, ggf. zu demontieren. Eine Montage oberhalb des Wasserspiegels muss in einer Rohrschleife erfolgen, um ein Leerlaufen des Wärmetauschers zu verhindern.
Zur einfacheren Entlüftung und Entleerung kann auch eine senkrechte Installation gewählt werden. Wärmeführende Bauteile sind nach DIN 12828 gegen Übertemperatur abzusichern. Die normgerechte Installation und Absicherung gegen Übertemperatur muss bauseitig durch den Installateur- und Heizungsbauer erfolgen. Eine Dosierung von Wasserpflegemitteln hat generell in Fliessrichtung nach dem Wärmetauscher zu erfolgen. Ein Rückstrom von Wasserpflegemitteln in den Wärmetauscher (z. B. bei abgeschalteter Wasserumwälzung) ist wirksam zu verhindern.
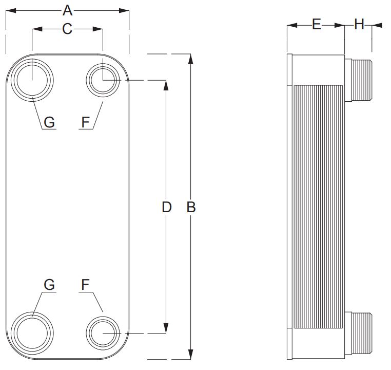
Abmessungen:
| Typ/Maße(in mm)/Dimensionen |
Art.Nr. |
A |
B |
C |
D |
E |
F |
G |
H |
| D-PWT 30 kW |
100901 |
106 |
306 |
50 |
250 |
45 |
3/4"IG |
1"AG |
28 |
| D-PWT 50 kW |
100902 |
124 |
304 |
70 |
250 |
60 |
1"AG |
1 1/4"AG |
28 |
| D-PWT 75 kW |
100903 |
124 |
304 |
70 |
250 |
102 |
1"AG |
1 1/4"AG |
28 |

Hinweis zur Gewärleistung:
Werden die zulässigen Parameter für das Schwimmbadwasser nach Herstellerangabe bzw. die Montagehinweise oder die Montage- und Betriebsanleitungen der Hersteller nicht beachtet, erlischt jeglicher Gewährleistungs- oder Garantieanspruch.
Angaben zur Produktsicherheit
Herstellerinformationen:
Swim-Tec
Bauhofstr. 18D
Großostheim, Deutschland, 63762
info@fluidra.de
https://www.fluidra.de/
Es gibt noch keine Bewertungen.