Piezoelektrischer Kontaktschalter / Wandler
Neuer piezoelektrischer Touch-Umschalter für 1, 3 und 5 Geräte.
Automatische Abschaltung nach 5-35 Minuten (5-Minuten-Schritte). Pro Piezo 1 – ein Schritt pro 30 min.
- An der Wand oder DIN-Leistenmontage
- Variable Einstellungen für die Hintergrundbeleuchtung der Tasten
- Helle oder blinkende Anzeige
- Möglichkeit der Fernbedienung
Technische Parameter:
| Spannung: |
230 V AC |
| Schutzklasse |
IP56 |
| Fernbedienung |
Nein / optional |
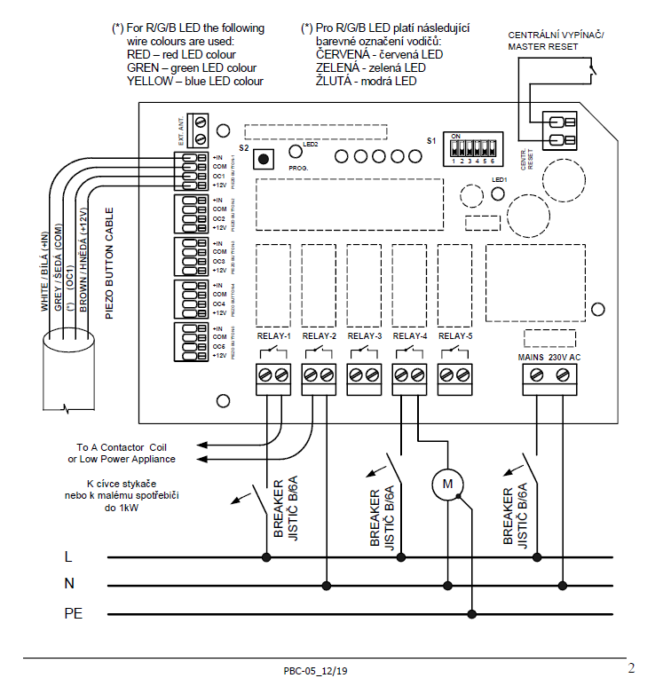
Funktionsprinzip
Bei der Schaltung handelt es sich um einen spannungsfreien Kontakt, der je nach Bedarf mit einem Phasen- oder Neutralleiter verbunden werden kann.
Dieser spannungsfreie Kontakt ist überlappend, damit die entsprechende Durchführung ein- oder ausgeschaltet werden kann.
In keinem Fall dürfen die Phase und der Neutralleiter gleichzeitig mit den Klemmen verbunden werden!
Angaben zur Produktsicherheit
Herstellerinformationen:
Vagner Pool
Hans-Grüninger-Weg 11
Markgröningen, Deutschland, 71706
oliver.lindt@vagnerpool.com
https://www.vagnerpool.com/
Es gibt noch keine Bewertungen.